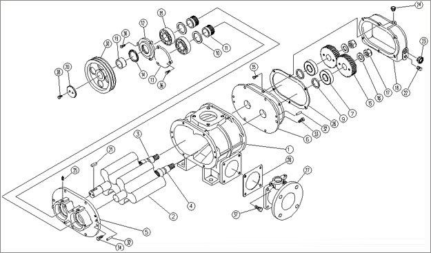
三葉羅茨風機廠家表示想要真正了解羅茨風機工作原理,必須對三葉羅茨風機結構有充分的了解,機頭的主要組成部分有:墻板、機殼、主動葉輪、從動葉輪、主動從動齒輪、主副油箱、軸承等,為了大家對羅茨風機的結構有清晰的認知,特意整理了一份三葉羅茨風機結構圖供大家參考:

三葉羅茨風機廠家風機在長期使用之后,三葉羅茨風機的風量會發生變化,多為風量減小,引起的主要原因是:葉輪與葉輪間隙、葉輪與墻板間隙、葉輪與機殼間隙發生了變化,造成內泄漏增大,進而影響羅茨風機的風量。

為了保證三葉羅茨風機正常工作運轉,風機的其他組件也起到了非常重要的作用,如:軸承、齒輪等,配合工作的組件出現了異常故障,對風機的運轉也會造成很大的影響。所以,后期使用維護中,不僅要對重要組件進行細致維護,其他的配合組件也要定期進行檢修維護!

三葉羅茨風機型號有幾百種上千種參數,而且為了應付復雜的工況,羅茨風機需要耐腐蝕、耐高溫、密封等等情況,所以三葉羅茨風機價格也會具體體現在它的用途及其工況上面。

章丘豐源三葉羅茨鼓風機廠家:13964033677 專業生產高壓羅茨鼓風機、三葉羅茨鼓風機、三葉羅茨風機、FR羅茨鼓風機、回轉風機、單級高速鼓風機、多級離心鼓風機、懸浮高速離心風機七大系列200余種產品,省級羅茨風機工程實驗室,授權名牌產品,高新技術企業。
下一篇:三葉羅茨鼓風機的維護和檢修