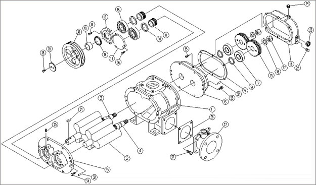
三葉羅茨鼓風機的拆卸,一般可按下列程序進行:
首先拆卸羅茨鼓風機進、出風管與機體連接螺栓,取下進、出風管,接著按下列先后順序取下安全罩和三角帶或彈性聯軸器螺栓;拆下上部分機殼與擋板;拆下齒輪箱上蓋;拆下帶輪外端軸承蓋和左右密封體上蓋;用起吊工具吊出主動轉子和從動轉子;取下三角帶輪或聯軸器;拆卸推力軸承箱并取下軸承;拆下齒輪背帽取下齒輪;將轉子從軸上拆下;最后拆卸左右密封裝置座和下部擋板。

葉輪鼓風機的拆卸,一般可按下列程序進行:
首先拆卸進出三葉羅茨風機風管與機體連接螺栓,取下進出口風管;拆開安全罩,取下彈性聯軸器螺栓;吊出齒輪減速器并拆開外殼;拆下齒輪;松開前部齒輪箱罩取下齒輪;松開兩側風翼蓋螺栓,吊出兩側風翼蓋;松開擋風板上不緊固螺栓,并吊出鼓風翼及阻風翼;最后從兩軸上取出鼓風翼與阻風翼。

羅茨鼓風機拆卸時,應注意下列事項:
1,拆卸風機前,應了解風機的構造和性能,主要零件的結構。從拆卸到安裝,應有一名懂得風機安裝的專人負責。
2,拆卸零件時,特別是精密的重要零件,應分別打上字頭或作出標記,以免安裝時發生錯誤。
3,根據零件的特點,選用適當的工具進行拆卸。
4,拆下來的零件,應排列整齊,分類擺放,以免安裝時取用麻煩或發生錯亂。
5,拆卸機殼的結合面,應輕輕的撬動,防止損壞結合面而造成機殼漏氣。
6,拆卸風機時,應對機器內部的間隙進行細致測量,如轉子與轉子之間的間隙,轉子與機殼之間的間隙,并應計入安裝記錄本內,為以后的安裝檢修提供可靠數據。
7,拆卸各結合面上的墊板,應仔細進行,盡量不損壞,并應測量其厚度,記于安裝記錄本內,便于以后安裝時,有原始依據。
經常檢查三葉羅茨鼓風機軸承潤滑油供油情況,如果箱體出現漏油,可以把端蓋的螺栓擰緊一點,這樣還不行的話,可能只好換用新的密封填料了。
上一篇:三葉羅茨風機常見問題故障解決