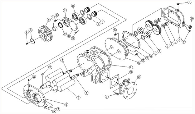
羅茨鼓風機是一種旋轉活塞容積式氣體壓縮機,它由一個近乎橢圓的即可與兩墻板包容成一個氣缸,即可上有進氣口和出氣口。一對彼此以一定間隙相互嚙合的葉輪,通過定時齒輪而做等速反向旋轉。借助與兩葉輪的嚙合,將進氣口和出氣口相互隔開,氣模風機在旋轉過程中無內壓地將氣缸容積內的氣體從進氣口推移到出氣口,以達到強制排氣的目的。

兩葉輪相互之間、葉輪與墻板之間以及葉輪與機殼之間保持一定的間隙,以保證羅茨鼓風機的正常運轉;如果間隙過大,責備壓縮的氣體通過間隙的回流量增加,影響鼓風機的效率;如果間隙過小,則由于產生熱膨脹,可能導致葉輪與機殼之間、葉輪相互之間、葉輪與墻板之間出現相互摩擦,碰撞現象。
在使用三葉羅茨鼓風機的過程中經常出現震動、發熱、噪音等問題,這與羅茨鼓風機原理和結構有很大關系。今天給大家分析下羅茨鼓風機產生振動、發熱、噪音的原因:
1、羅茨鼓風機主要有齒輪副、葉輪、機殼等部件組成,其產生震動、發熱、噪音的主要原因是其主要部件在裝配中存在問題所致。
2、羅茨鼓風機的轉動是依靠主從軸的齒輪相互嚙合做等速反向旋轉,帶動葉輪之間的相互旋轉,進而壓縮氣體。

羅茨鼓風機屬于恒流量風機,工作的主參數是風量,輸出的壓力隨管道和負載的變化而變化,風量變化很小。離心風機屬于恒壓風機,工作的主參數是風壓,輸出的風量隨管道和負載的變化而變化,風壓變化不大。羅茨鼓風機的流量、風壓、功率跟離心式風機完全不同,風機的流量一般變化不大,壓力變化幅度較大,壓力增大時,軸功率增大;而離心式風機在壓力增大時,軸功率減。
因此,齒輪副中間距之間的配合偏差以及齒輪箱軸孔中間距偏差是造成羅茨鼓風機震動、發熱、噪音的主要原因。

下一篇:羅茨鼓風機安裝調試步驟詳解