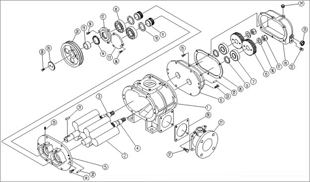
想要更深入的了解羅茨鼓風機原理、三葉羅茨風機價格就需要了解羅茨鼓風機的結構,以下是豐源小編提供的三葉羅茨鼓風機結構圖,大家可以看一下!

三葉羅茨鼓風機廠家風機有幾百種型號上千種參數,而且為了應付復雜的工況,羅茨風機需要耐腐蝕、耐高溫、密封等等情況,所以三葉羅茨風機價格也會具體體現在它的用途及其工況上面。其中中間的幅度甚至可以從一千來塊錢到幾萬塊錢中間浮動。也就是說一般現場工況要求越苛刻,三葉羅茨風機的價格越貴!

有人覺得購買羅茨風機價格便宜點好,但其實很多人都沒有算明白這一筆賬。高品質羅茨風機雖然買著貴,但是后期確是用起來省,而很多人因為預算問題,選擇了便宜的三葉羅茨鼓風機,等到的確是一次次的維修、保養等后續問題。羅茨風機買起來省錢,后期用起來卻不一定便宜。
不過,市面上有那么多款風機,總是會有一款能夠盡量滿足環保人的需求。

既然聊到三葉羅茨鼓風機了那就不得不提提小編的家鄉章丘,懂行的同學可能都知道,章丘三葉羅茨鼓風機在全國范圍內都是數一數二的。因為產業鏈的完整造就了章丘三葉羅茨鼓風機的整體技術優異甚至工人的專業技能穩定,所以章丘的三葉羅茨鼓風機無論是質量的穩定系,或者是產品的價格在整個全國的三葉羅茨風機市場都保持著優秀的競爭力。

然而您要是想第一時間快速獲取三葉羅茨風機價格就需要把您的羅茨風機流量、壓力等參數告訴我,豐源羅茨風機廠家馬上與您聯系報價哦!
上一篇:羅茨鼓風機啟動前需要做哪些準備?